Kontakt

Robert Kinastowski

+48789223883

robert.kinastowski@alfapanel.pl

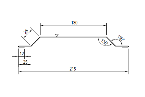
OBRÓBKA BLACHARSKA STYKOWA

Dostępność: na wyczerpaniu
Wysyłka w: 10 dni
Cena brutto: 0,00 zł

Cena regularna:

0.00
Cena netto: 0,00 zł

Cena regularna:

ilość szt.

towar niedostępny

dodaj do przechowalni
Ocena: 5
Producent: -
Kod produktu: B860-33031

Opis

ZASTOSOWANIE: Obróbka styku pionowego.

Rozwinięcie blachy o grubości 0,5 mm: 254x3000 mm


Posiadamy również tę obróbkę w innych rozwinięciach blachy:


 

Oznaczenie: długość  masa cena netto cena brutto
  [mm]      [kg] [zł] [zł]
EA1B16A 3000,00 3,28 29,52 36,31

 

Realizujemy wszelkie indywidualne zamówienia Państwa z szerokiej gamy blach wg palety RAL dostępnej na magazynie  o grubościach od 0,50 mm do 1,5 mm.

 

Produkty powiązane

Opinie o produkcie (0)

do góry
Sklep jest w trybie podglądu
Pokaż pełną wersję strony
Promocje
Sklep internetowy Shoper.pl